Product INS.P.ULTRASONIC-RU_3GD_HIGH_END.FR
Pressure-Resistant Linear Position Sensor
Analog
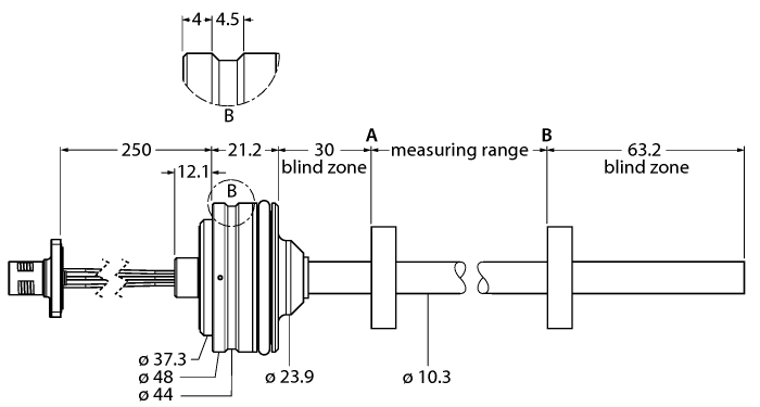
Order number: 100002120- Suited for hydraulic cylinders
- Embedded housing design
- The sensor is pressure resistant up to 340 bar (permanent), 680 bar (short-term)
- Adjustable measuring range
- Analog output 0.5…4.5 V
- 0.25 m cable with M12 male connector

General data
| EAN | 4047101458534 |
| eCl@ss-Code (V5.1.4): | 27270703 -/- Magnetostrictive linear position sensor |
| Customs tariff number | 90318020000 |
| Country of origin | US |
| Weight | 1000 g |

