Product  WKH4.5-5-WSH4.5/TFG

Absolute Rotary Encoder - Multiturn

Industrial Line

Order number: 1544417
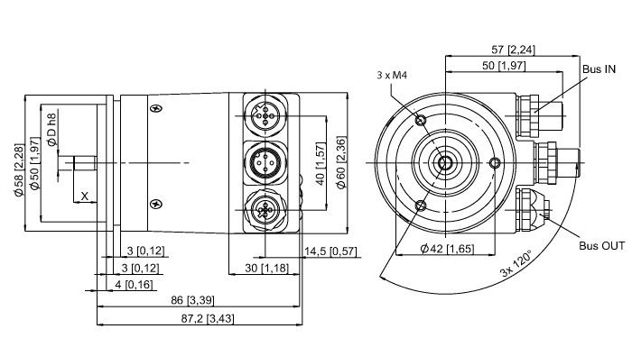
    • Synchro flange, Ø 58 mm
    • Solid shaft, Ø 6 mm × 10 mm
    • Optical measuring principle
    • Shaft material: stainless steel
    • Protection class IP67 on shaft side
    • -40…+80 °C
    • Max. 3000 rpm
    • Profibus
    • Removable bus cover with male, 3 × M12
    • Singleturn, resolution scalable to 16 bit (default 13-bit)
    • Multiturn resolution max. 12 bit, scalable
#

General data

EAN 4047101255812
eCl@ss-Code (V5.1.4): 27270501 -/- Encoder, absolute
Customs tariff number 90314990000
Country of origin DE
Weight 725 g

Mounting accessories

6831832
to top