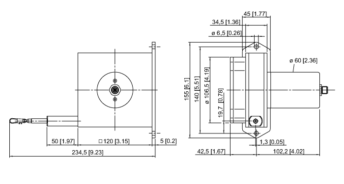
Product PT1VR-1008-U1-H1141
Draw-Wire
Order number: 1544551- Measuring range up to 6000mm
- M12 connector
- Protection class: IP65 (Encoder)
- Potentiometric output 1k Ohm
- Supply voltage max. 30 VDC

General data
| EAN | 4047101256963 |
| eCl@ss-Code (V5.1.4): | 27270790 -/- Sensor for length, path (not classified) |
| Customs tariff number | 90318020000 |
| Country of origin | DE |
| Weight | 2129 g |
Technical Data
| Design | Draw Wire |
| Operating voltage | 0…30 VDC |
| Electrical connection | Connector, M12 × 1 |
| Housing material | Titanium anodized aluminium |
| Ambient temperature | -20…+85 °C |
| Protection class | IP65 |

