Product PS040V-501-2UPN8X-H1141
Flow Monitoring
Immersion Sensor without Integrated Processor
Order number: 6870355- Ex sensor for liquid media
- Calorimetric functionality
- Adjustment via Ex signal processor
- Status indicated via LED chain on signal processor
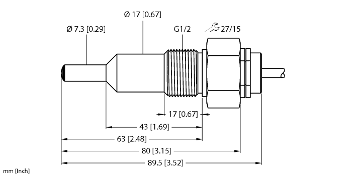
- Sensor made of Hastelloy C4
- Sensor length 65 mm
- Cable device
- 4-wire connection to an Ex0 processor
- ATEX category II 1/2 G, Ex-zone 0
- ATEX category II 1 D, Ex zone 20

General data
| EAN | 4047101173192 |
| eCl@ss-Code (V5.1.4): | 27273190 -/- Flow meter (not classified) |
| Customs tariff number | 90261029000 |
| Country of origin | DE |
| Weight | 338 g |
Technical Data
| Design | Immersion |
| Process connection | G 1/2'' |
| Electrical connection | Cable |
| Cable length | 2.0 m |
| Housing material | Metal, Hastelloy C4 (2.4610) |
| Medium temperature | -20…+60 °C |
| Protection class | IP67 |
| Approvals | ATEX II 1 G, ATEX II 2 G, ATEX II 1 D |
Mounting accessories
|
PK01V-P13-2UP8X-V1141 | 100042125 |
Connectivity accessories
|
RSC4.4T-15/TXG | 6634164 |
|
TI-BL20-E-EN-S-6
BL ident interface set |
7030632 |
|
LE550DC1 W/30 | 3095384 |
|
BSS-08
Mounting clamp for smooth and threaded barrel sensors; material: Polypropylene |
6901322 |
|
FAS4-CSG43 | 6821322 |
Functional accessories
|
RKP56PLB-10-RSP56PLB/TXG | 100003349 |
|
PS001D-502T-2UPN8X-H1141 | 6834112 |

