Product BIM-PST-AN6X-V1131
Inductive Sensor
Slot-type
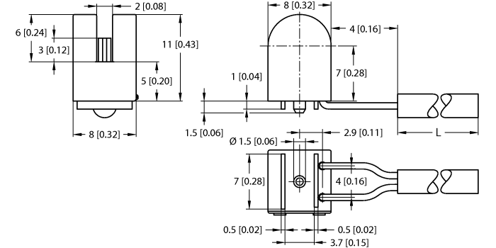
Order number: 1007700- Slot sensor, height 8 mm
- Plastic, polypropylene
- Mechanical end stop, removable, for analog pointer instruments
- DC 2-wire, nom. 8.2 VDC
- Output acc. to EN 60947-5-6 (NAMUR)
- Stranded wire connection, mostly jacketed
- ATEX category II 1 G, Ex zone 0
- ATEX category II 1 D, Ex zone 20
- SIL2 (Low Demand Mode) acc. to IEC 61508, PL c acc. to ISO 13849-1 with HFT0
- SIL3 (All Demand Mode) acc. to IEC 61508, PL e acc. to ISO 13849-1 with redundant configuration HFT1

General data
| EAN | 4047101144932 |
| eCl@ss-Code (V5.1.4): | 27270101 -/- Inductive proximity switch |
| Customs tariff number | 85365019000 |
| Country of origin | PL |
| Weight | 18 g |
Technical Data
| Design | Slot sensor |
| Construction size | 11 x 15 x 8 mm, K08 |
| Operating voltage | Nom. 8.2 VDC |
| Output function | NAMUR |
| Electrical connection | Stranded wires |
| Cable length | 0.210 m |
| Housing material | Plastic, PP |
| Ambient temperature | -25…+70 °C |
| Protection class | IP67 |
| Approvals | ATEX II 1 G, ATEX II 2 G, ATEX II 3 G, ATEX II 1 D, ATEX II 2 D, ATEX II 3 D, SIL2, PLc |
Mounting accessories
|
TB-Q08-0.15-RS4.47T/C53
rectangular |
7030778 |
|
BI5U-M18-ADZ30X2
Inductive sensor, cylindrical, threaded barrel, 18 mm, chrome-plated brass |
4282210 |

