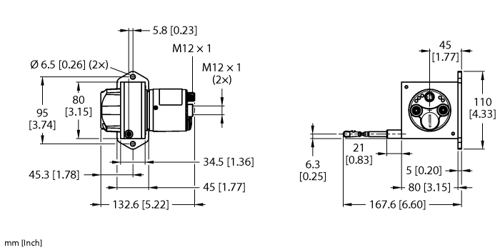
Product  RKP56PLB-10/TXG

Draw-Wire

Order number: 100049365
    • Highly dynamic draw-wire sensor
    • With permanently installed Profinet encoder REM-E-105T10C-9E43B-B3M12
    • Measuring principle: optical
    • Sensor protection class IP65
    • ‐20…+85 °C
    • 10…30 VDC
    • PROFINET IO, RT and IRT up to 250 µs
    • Encoder profile version 4.2
    • Media Redundancy Protocol (MRP)
    • Link Layer Discovery Protocol (LLDP)
    • Simple Network Management Protocol (SNMP)
    • Fast Startup (FSU)
    • M12 × 3 connector, 4-pin
#

General data

EAN 4047101659030
eCl@ss-Code (V5.1.4): 27270790 -/- Sensor for length, path (not classified)
Customs tariff number 90318020000
Country of origin DE
Weight 750 g
to top