Product  PS310-0V-02-2UPN8-H1141

Accessories

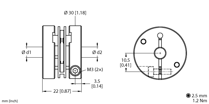
Shaft Coupling Spring Disc Coupling

For Solid Shaft Encoders

Order number: 100048792

    Spring disc coupling with clamping hubs Ø 30 mm

    Max. torque: 60 Ncm

    Max. shaft offset:

    Radial: ±0.3 mm

    Axial: ±0.4 mm

    Angular: ±2.5°

    Torsion spring stiffness: 30 Nm/wheel

    Radial spring stiffness: 40 N/mm

    Moment of inertia: 35 gcm2

    Receptacle material: aluminum

    Membrane: polyamide 6.6 glass-fiber reinforced

    Bore diameter d1 = 10 mm, d2 = 10 mm

#

General data

EAN 4047101649956
eCl@ss-Code (V5.1.4): 27279090 -/- Sensor technology (not classified)
Customs tariff number 84836080900
Country of origin DE
Weight 30 g

Technical Data

Ambient temperature -10…+80 °C

Mounting accessories

6837001

Connectivity accessories

6836660
6901322

Functional accessories

3034009
100003349
to top