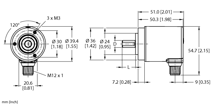
Product CMB8181-0
Absolute Rotary Encoder - Multiturn
Industrial Line
Order number: 100011304- Clamping flange, Ø 36 mm
- Solid shaft, Ø 8 mm × 15 mm
- Magnetic measuring principle
- Shaft material: stainless steel
- Protection class IP67 on housing and shaft side
- ‐40…+85 °C
- Max. 4000 rpm (continuous operation 2000 rpm)
- Energy harvesting technology
- 10…30 VDC
- Analog output, 4…20 mA per 16 CCW revolutions
- 12-bit resolution
- M12 × 1 male, 5-pin

General data
| EAN | 4047101548815 |
| eCl@ss-Code (V5.1.4): | 27270501 -/- Encoder, absolute |
| Customs tariff number | 90318080000 |
| Country of origin | DE |
| Weight | 234 g |

